On the Chopping Block: Southview School Profile
Opened the same year disco was topping music charts and Star Wars hit movie theatres Southview Community Core School was touted as a solution to fluctuating student population shifts.
Nearly 50 years later, those population shifts could prove fatal to the continued operation of the school.
Now known simply as Southview Community School, the elementary school cost a little less than $1 million in 1977 dollars and initially housed 150 students from kindergarten to Grade 6.
Then public school superintendent Dr. Ken Sauer told the Medicine Hat News during the official opening of Southview that the design of the school was to address population growth in newer neighbourhoods in the city. At the same time, maintain access to elementary schools near the city centre, hence “core” being included in the Southview name.
That goal was to be achieved by the school being able to add or subtract portable structures as needed to ensure, “we don’t get a white elephant in a couple of years,” Sauer told the News in 1977.
Those portables could be used to expand student capacity to 300, according to news reports of the day.
In 2004, Southview had exceeded that capacity with 323 students, according to the school board’s capital plan released that year.
The school board’s student headcounts have shown a drop in recently from a high in the last three school years of 180 in the 2024-25 to 137 for the current one.
In 2004, Southview was a centre piece of a controversial restructuring effort of city schools by the public board.
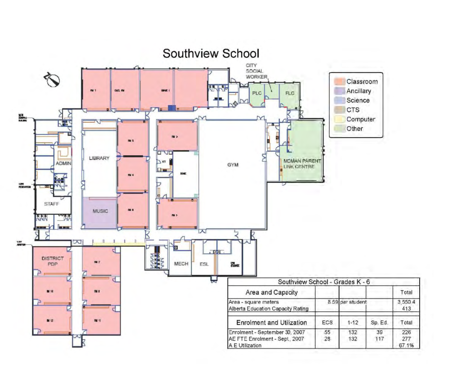
Floor plan of Southview School from 1977 (above) and the 2009 school board capital plan (below). (NOTE: floor plan perspectives are reversed.)
Like in 2025, the 2004 proposed plan also outlined closing Southview and moving students to Ross Glen or Crestwood schools.
While the 2004 restructuring proposal was rejected by parents, the last two preceding decades has seen significant changes.
The public school board’s 2009 three-year capital plan - including a 10-year facilities plan - highlighted the city’s aging population, noted population would likely reach 60,000 by 2008 and the municipality would likely see that followed by estimated annual increases of 1,800.
Based on that analysis, student populations would shift and new schools would need to be built in Ranchlands and to accommodate the south end new subdivision neighbourhoods in the city.
“The single most pressing issue in Medicine Hat School District 76 is the need for two additional elementary schools: one in Hamptons and one in Ranchlands,” read the report. “Our 2007 utilization rates considering class size initiative for 9 elementary schools is 114% well over the Ministry’s designated 85%. This clearly explains the overcrowding in elementary schools.”
The school board got its wishes for two new school in the form of Dr. Ken Sauer to address the Ranchlands concerns and Dr. Roy Wilson to meet the challenges in southside growth. It’s also seen elementary school closures in the city core including Central Park, Georges P. Vanier and Riverside.
In addressing the mid-southside neighbourhoods, the school board’s most recent three-year capital plan released this year is proposing a new $77 million kindergarten to Grade 9 Crestwood School be built to house around 800 students.
While currently not part of the school closure consultations, the capital plan envisions eventually moving Alexandra Middle School students to the new Crestwood in addition to those from Southview.
Public consultations on the closing of Southview will take place on Wednesday, Dec. 3 at the school division head office starting at 6:30 pm.

